特点
海湾JTG-UM-GST9616点型红外火焰探测器是一种复合红外火焰探测器,它可以通过探测火焰在红 外光区两个波段的光信号来判断火灾。本探测器适用于探测含碳材料产生的明火燃烧,应用于火灾 初期以火焰为主的大空间场所。
本探测器可通过总线与我公司生产的火灾报警控制器通信传递信息,也可以通过继电器触点传 递信息。本探测器为隔爆型产品,既可以用于一般民用场所,也可以用于工业危险场所,如爆炸性 气体环境的 1 区、2 区和可燃性粉尘场所的 21 区、22 区。
主要技术指标
(1) 工作电压:总线 24V DC24V
(2) 工作电流:总线电流:监视电流≤1mA,报警电流≤1mA 电源电流:监视电流≤20mA,报警电流≤30mA (3) 触点容量:DC25V/1A
(4) 探测器视场角≤90°
(5) 防爆标志:ExdIICT6/DIP A21 TA,T6
(6) 外壳防护等级:IP66
(7) 使用环境:温度:-20℃~+55℃ 相对湿度≤95%,不结露
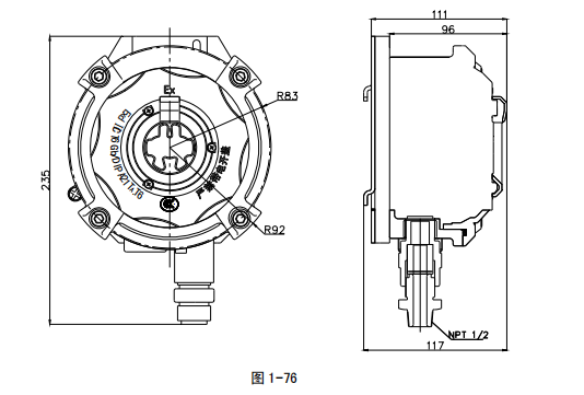
(8) 外形尺寸:166mm×235mm×199mm(带调节架)
结构特征、安装与布线
探测器外形图如图 1-76 所示:

安装:
a) 探测器的底壳安装。
b) 将调节架用四只6 膨胀螺栓固定在墙壁上,应固定牢靠,定位后将螺栓拧紧。
c) 然后将探测器底板挂在调节架上。
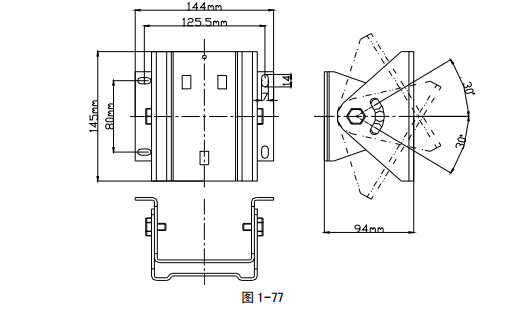
d) 用 M5 的螺钉将探测器固定在调节架上,调节架可沿轴心转动 60°调节架示意图如图 1-77 所示:

注意:在不能直接使用调节架安装探测器的场合,如探测器吊装在钢梁上,可以选配与 JTG-UM-GST9616 型红外火焰探测器配套使用的安装架,再将调节架固定在安装架上。安装架只适用于宽度为 180~220mm、底面厚度不大于 12mm 的钢梁。探测器安装后的探测方向与工字钢走向 一致,如图 1-78 所示。

探测器对外接线端子示意图如图 1-79 所示:

其中
Z1、Z2:来自控制器的通讯总线输入端,无极性;
D1、D2:DC24V 电源输入端,无极性;
AL1、AL2:火警触点输出,常开触点,火警时闭合;
FT1、FT2:故障触点输出,常闭触点,故障时断开。
当 Z1、Z2 不与总线连接时,必须与 D1、D2 无极性连接。
布线要求:
a) 探测器的连接电缆应使用铜芯多股导线的耐火电缆,在 1 区和 2 区,线芯截面均应不小于 1.0mm2 ,电缆外径为8mm~10mm,所用电缆还应符合使用环境的其它要求,如耐热、耐腐蚀、防火 等。线路走向等应符合相应爆炸危险环境的要求。
电缆线路在爆炸危险环境中严禁有中间接头,在 特殊情况下,电缆线必须安设中间接头时,只允许在 2 区内采用相应的防爆接线盒加以保护,方可 进行中间连接。
采用总线输出方式:无特殊要求时,可使用 RVVP41.0,外径为10 的屏蔽电缆,电缆屏蔽 层与探测器底壳上的保护地相连接;
采用触点输出方式:可使用外径为10 的屏蔽电缆,电缆屏蔽层与探测器底壳上的保护地相连接,接线具体规格应根据探测器的配套接口设备要求进行。
b) 将探测器的上盖部分的排线插到底壳上的接口板的 XT3 上,然后将上盖安装到底壳上,上盖 与底壳安装时注意底壳上的定位销要与上盖上的 U 形槽对应。
c) 盖上上盖后拧紧上盖上四根内六角螺钉。
d) 调节调节架,使探测器正对被保护区域,定位后将调节架两侧的锁紧螺栓拧紧。


苏公网安备32058102002318号
客服1