特点
海湾JTG-ZM-GST9614点型紫外火焰探测器为感光型火灾探测器,它通过探测物质燃烧所产生的紫外 线来探测火灾,适用于火灾发生时易产生明火的场所。对发生火灾时有强烈的火焰辐射或无阴燃阶 段的火灾以及需要对火焰作出快速反应的场所均可采用本探测器。防爆性能符合 GB 3836.1《爆炸 性气体环境用电气设备 第 1 部分: 通用要求》及 GB 3836.2《爆炸性气体环境用电气设备 第 2 部 分: 隔爆型 “d”》标准要求,同时还满足 GB 12791《点型紫外火焰探测器技术要求及试验方法》 中的各项要求。
探测器有编码和非编码两种工作模式。探测器与我公司生产的火灾报警控制器以总线方式连接 时,探测器工作在编码模式,探测器从总线获取电源并通过总线传递信息;探测器与DC24V电源连接 时,探测器工作在非编码模式,探测器通过输出不同的电阻值向外传递信息。
本探测器防爆类型为 ExdIICT6,适用于防爆 1 区、2 区各种防爆场所,可根据现场环境选用。 传感部件选用技术先进的紫外光敏管,具有灵敏度高,性能可靠,抗粉尘污染、抗潮湿及抗腐蚀能 力强等优点。
主要技术指标
(1) 工作电压:编码模式:额定工作电压:总线 24V 电压允许范围:总线 16V~28V 非编码模式:额定工作电压:DC24V 电压允许范围:DC20V~DC28V
(2) 工作电流:编码模式:监视电流≤2mA 报警电流≤3mA 非编码模式:监视电流≤13mA 报警电流≤23mA
(3) 指示灯:报警确认灯,红色,监视状态闪亮,火警时常亮
(4) 光谱响应范围:185nm~260nm
(5) 探测角度≤1200
(6) 探测距离:探测器设有二个灵敏度级别,不同的灵敏度级别对应着不同的探测距离。对于放置 于底面积为 33cm×33cm,高为 5cm 的容器中的 2000g 工业乙醇(乙醇含量 90%以上)燃烧产生的火 焰:Ⅱ级,17m;Ⅲ级,12m
(7) 外壳防护等级:IP66
(8) 使用环境:温度:-20℃~+60℃ 相对湿度≤95%,不结露
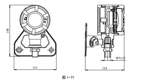
(9) 外形尺寸:180.5mm×144mm×133mm
在下列情形的场所,不宜使用本探测器
可能发生无焰火灾;
在火焰出现前有浓烟扩散;
探测器的“视线”易被遮挡;
探测器易受阳光直接或间接照射;
现场有较强紫外线光源,如卤钨灯等;
在正常情况下有明火、电焊作业以及 X 射线、弧光、火花等影响。
结构特征、安装与布线
探测器外壳零件采用铝合金制成,含镁量小于 6%,有足够的机械强度,经水压试验 1.5Mpa, 历时 10s 无滴水和 变形,能承受 7J 冲击能量,更高 表面温度不超过 85℃。探测窗口采用石英 玻璃,可透过紫外线,能承受 2J 冲击能量。
探测器外形结构如图 1-71 所示:

探测器的安装方式有两种,一种是安装在墙壁上,另一种是安装在顶棚上。探测器附件备有卡 箍和壁板,用于探测器的安装,卡箍和壁板结构示意图如图 1-72 所示。壁板用三个 M660 的膨胀 螺栓直接固定在墙壁或者顶棚上,卡箍用来连接探测器和壁板。 通过调节探测器和卡箍,可以使探 测器向上转动 18°,向下转动 50°,左右转动各 90°。安装时,先把卡箍套在探测器的支撑轴上, 然后通过固定螺栓 1 将卡箍连接到壁板上,接好探测器连接线。调节探测器和卡箍,使探测器正对被保护区域,然后拧紧固定螺栓 1 和固定螺栓 2,将探测器固定好。

探测器接线端子如图 1-73 所示:

其中:
Z1、Z2:编码模式时接火灾报警控制器总线,无极性。
非编码模式时接 DC24V 电源,无极性。
K1、K2:只用于非编码模式,通过输出不同的电阻值表示不同的状态:火警状态短路;正常 状态为 4.7kΩ;故障状态断开。
布线要求:
现场布线采用截面积大于等于 1mm2 ,外径为φ8 mm 的屏蔽耐火电缆,接线步骤如下:
(1)旋下探测器后盖和接线压紧螺母;
(2)将电缆线依次穿过压紧螺母、金属垫圈、橡胶密封圈,留出适当的长度;
(3)将电缆线剥去外皮留出金属导线 5mm,将橡胶密封圈、金属垫圈、压紧螺母连同电缆一同 旋进探测器壳体,用扳手将压紧螺母旋紧为止;
(4)将电缆的金属线头与探测器接线端子对应相接,将电缆的屏蔽接入探测器外壳内部保护地 接线处; (5)将探测器后盖用工具旋紧,从探测器外壳保护地接线处将探测器外壳接入保护地;
(6)检查探测器后盖、电缆压紧螺母确定已旋紧,然后可进行控制器端的接线。
安装完成后需做如下检查:
(1)外壳表面应无裂纹、孔洞,底壳、后盖连接牢固;
(2)探测窗无划伤、裂纹;
(3)进线口处应有密封圈;
(4)密封圈与电缆线径吻合;
(5)进线口锁紧螺母已锁紧;
(6)接地标识处有接地线。
遮光罩的选用
对于现场有阳光直射或反射到紫外探测器的情况,可考虑使用遮光罩:
a) 半遮罩
能遮挡来自探测器上方的光线,适用于探测器壁挂安装并对斜下方进行火焰探测报警的情况。该遮光罩 直接固定于探测器壳体上,安装示意图如图 1-74 所示:

b) 全遮罩
能遮挡来自探测器视窗四面的光线,适用于探测器吸顶安装并对正下方进行火焰探测报警的情 况。该遮光罩直接固定于探测器壳体上,安装示意图如图 1-75 所示,注意此时探测器的保护面积 有所变化,可按公式πh2 tg2 а计算,其中安装高度 h 更好 小于 10 米。



苏公网安备32058102002318号
客服1