特点
海湾J-SAM-GSTN9311(Ex)手动火灾报警按钮(以下简称报警按钮)安装在公共场所,当人工确认 火灾发生后按下报警按钮上的按片,可向控制器发出火灾报警信号,控制器接收到报警信号后,显 示出报警按钮的编码信息并发出报警声响。本报警按钮防爆类型为本质安全型,符合 GB 3836.1-2010 《爆炸性环境 第 1 部分:设备 通用要求》和 GB 3836.4-2010《爆炸性环境 第 4 部分:由本质安 全型“i”保护的设备》的有关规定,并取得了 防爆产品检验机关颁发的产品防爆合格证书,同时 满足国标 GB 19880-2005《手动火灾报警按钮》的有关规定,主要应用于石油及化工等易燃、易爆 场所。
本按钮具有如下特点:
(1)采用拔插式结构设计,安装简单方便。
(2)按下报警按钮按片,报警按钮提供的独立输出触点,可通过外接安全栅控制其它设备。 报警按钮上的按片在按下后可用专用工具复位。
(3)用微处理器实现对消防设备的控制,用数字信号与控制器进行通信,工作稳定可靠,对电 磁干扰有良好的抑制能力。
(4)地址码为电子编码,可现场改写。
主要技术指标
(1) 工作电压: 信号总线电压:24V 允许范围:16V~28V
(2) 工作电流: 监视电流≤0.25mA 报警电流≤0.5mA
(3) 输出容量:额定 DC30V/100mA 无源输出触点信号,接触电阻≤100m
(4) 启动零件型式:可重复使用型
(5) 启动方式:人工按下按片
(6) 复位方式:用专用钥匙复位
(7) 指示灯:红色,正常巡检时约 3s 闪亮一次,报警后点亮
(8) 编码方式:电子编码,编码范围在 1~242 之间任意设定
(9) 线制:与控制器无极性二线制连接
(10) 使用环境: 类 型:户内 温 度:-10℃~+55℃ 相对湿度≤95%,不凝露
(11) 外形尺寸:95.4mm×98.4mm×45.5mm (带底壳)
(12) 外壳防护等级:IP40
(13) 防爆标志:ExibⅡCT6 Gb
结构特征、安装与布线
手动火灾报警按钮外形示意图如图 1-13 所示:

安装时只需拔下报警按钮,从底壳的进线孔中穿入电缆并接在相应端子上,再插好报警按钮即 可安装好报警按钮,安装孔距为 60mm。报警按钮安装采用进线管明装和进线管暗装两种方式,安装
示意图如图 1-14 所示。

本报警按钮室外安装、采用立柱安装方式时,可选用 LZ10001 型防雨罩与 LZ1000 型立柱。 LZ10001 型防雨罩与 LZ1000 型立柱配套使用。LZ10001 型防雨罩防护等级 IP65,其外形示意图如图 1-15 所示。

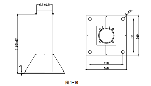
LZ1000 型立柱的外形示意图如图 1-16 所示。

LZ10001 型防雨罩与 LZ1000 型立柱配套安装示意图如图 1-17 所示。

本报警按钮室外安装、采用壁挂安装时,可选用 LZ10002 型防雨罩,LZ10002 型防雨罩采用壁 挂式安装,防护等级 IP65,其外型尺寸及安装示意图如图 1-18 所示。

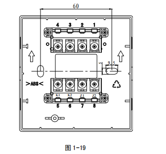
对外接线端子示意图如图 1-19:

端子说明: Z1、Z2:无极性信号二总线接线端子。 K1、K2:额定 DC30V/100mA 无源常开输出端子。 电缆均选用截面积≥1.0mm2 的本安电缆,且电缆间分布电容不得大于 0.083μF,分布电感不得 大于 4.1mH。
应用方法
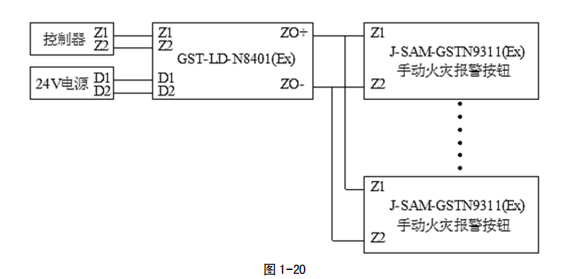
报警按钮可安装于危险区,通过 GST-LD-N8401(Ex)总线隔离式安全栅与安全区的火灾报警控制 器连接,接线图如图 1-20 所示。



苏公网安备32058102002318号
客服1