特点
海湾J-SAM-GSTN9313(Ex)消火栓按钮表面装一按片,当启用消火栓时,可直接按下按片,此时消 火栓按钮的红色启动指示灯亮,表明已向消防控制室发出了报警信息,火灾报警控制器在确认了消 防水泵已启动运行后,就向消火栓按钮发出命令信号点亮绿色回答指示灯。本按钮防爆类型为本质 安全型,符合 GB 3836.1-2010《爆炸性环境 第 1 部分:设备 通用要求》和 GB 3836.4-2010《爆炸 性环境 第 4 部分:由本质安全型“i”保护的设备》的有关规定,并取得了 防爆产品检验机关 颁发的产品防爆合格证书,主要应用于石油及化工等易燃、易爆场所。
本按钮具有如下特点:
(1) 采用底座分离式结构设计,安装简单方便;先安装底壳,线路调试完成后再装主体进行开通调 试。 (2) 消火栓按钮为可重复使用型,采用压下报警方式,按下后可用专用钥匙复位。
(3) 按下消火栓按钮按片,消火栓按钮提供的独立输出触点,可直接控制其它外部设备。
(4) 用微处理器实现对消防设备的控制,用数字信号与火灾报警控制器进行通信,工作稳定可靠, 对电磁干扰有良好的抑制能力;由微处理器对运行情况进行监视,给出诊断信息。
(5) 编码型,可通过电子编码器设定。
主要技术指标
(1) 工作电压: 信号总线电压:24V 允许范围:16V~28V
(2) 工作电流: 监视电流≤0.25mA 报警电流≤0.8mA
(3) 输出容量:额定 DC30V/100mA 无源输出触点信号,接触电阻≤100m
(4) 线制:消火栓按钮与火灾报警控制器信号二总线连接
(5) 编码方式:电子编码方式,占用一个总线编码点,编码范围可在 1~242 之间任意设定
(6) 启动零件型式:重复使用型
(7) 启动方式:人工按下按片
(8) 复位方式:用专用钥匙手动复位
(9) 指示灯:红色启动指示灯,巡检时闪亮,消火栓按钮按下时此灯点亮;绿色回答指示灯,消防水泵运行时此灯点亮
(10) 使用环境: 温 度:-10℃~+55℃ 相对湿度≤95%,不凝露
(11) 外形尺寸:95.4mm×98.4mm×52.5mm(含底壳)
(12) 外壳防护等级:IP43
(13)防爆标志:ExibⅡCT6 Gb
结构特征、安装与布线
消火栓按钮外形示意图如图 1-21 所示。

消火栓按钮安装方式与 J-SAM-GSTN9311(Ex)手动火灾报警按钮相同,对外接线端子示意图如 图 1-22 所示:

其中:Z1、Z2:接控制器二总线,无极性。 K1、K2:无源常开触点,用于直接启动外部设备。
布线要求:电缆均选用截面积不小于 1.0mm2 的本安电缆,且电缆间分布电容不得大于 0.083μF,分 布电感不得大于 4.2mH。
应用方法 消火栓按钮与火灾报警控制器及泵控制箱的连接为总线制启泵方式,消火栓按钮直接和信号二 总线连接。消火栓按钮按下,即向火灾报警控制器发出报警信号,火灾报警控制器收到报警信号后, 将命令消火栓按钮点亮绿色回答指示灯。
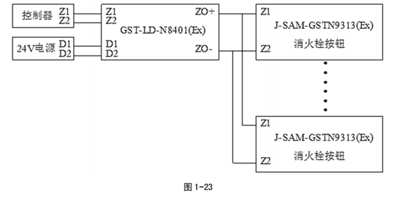
消火栓按钮可安装于危险区,通过 GST-LD-N8401(Ex)总线隔离式安全栅与安全区的火灾报警 控制器连接,接线图如图 1-23 所示。



苏公网安备32058102002318号
客服1