海湾GST-LD-8365H输入/输出模块接线安装技术
特点
GST-LD-8365H 输入/输出模块(以下简称模块),主要用于连接需要火灾报警控制器控制的消防联动设备,主要应用两种情形:
1)被控设备控制端口提供 12V~48V 检线电压的场合,如卷帘门、消防电梯等,并可接收设备的动作回答信号;
2) 模块作为有源输出的场合,如电磁阀、非编码声光等。
模块还具有如下特点:
两线制低功耗设计;采用 32 位 ARM 微处理器实现信号处理,用数字信号与控制器进行通信,工作稳定可靠,对电磁干扰有良好抑制能力;
输入、输出均具有检线功能,输入信号隔离检测,抗干扰能力强;
输出触点容量 2A。
主要技术指标
(1) 工作电压:
信号总线电压:总线 24V 允许范围:16V~28V;
(2) 工作电流:
无源输出:总线监视电流≤0.73mA 总线启动电流≤0.95mA;
有源输出:总线监视电流≤0.92mA 总线启动电流≤27.9mA;
(3) 指示灯:输入
红色,正常巡检时闪亮 1 次,总线电压低故障时连续闪亮两次,输入故障时以 2.5Hz、50%占空比闪烁,反馈时常亮;输出指示灯:红色,待机时熄灭,输出故障时以 2.5Hz、50%占空比闪烁,启动时常亮;编码方式:电子编码方式,占用一个总线编码点,编码范围可在 1~242 之间任意设定;
(4) 使用环境:
温 度:-10℃~+55℃,相对湿度≤95%,不凝露;
(5) 外形尺寸:86mm×86mm×41mm(带底壳);
(6) 外壳防护等级:IP30;
结构特征、安装与布线 模块的外形尺寸及结构与 GST-LD-8301A 型输入模块相同,安装方法也相同,其对外端子示
意图如图 2-77:

其中:
Z1、Z2:接控制器两总线,无极性;
I、G:与被控制设备无源常开触点连接,用于实现设备动作回答确认(也可通过电子编码器设为常闭输入或自回答);
COM、NO:无源常开输出端子;
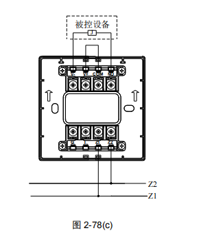
V+、V-:有源输出端子;配置有源输出时,V+和 COM 短接,NO、V-配接被控设备(NO 为正极,V-为负极);
布线要求:Z1、Z2 采用截面积≥1.0mm2的 RVS 双绞线; NO、COM、V+、V-采用截面积≥1.0mm2的 RV 线。布线应与动力电缆、高低压配电电缆等不同电压等级的电缆分开布置,不能布设在同一穿线管或线槽内。
应用方法
当输出控制电压由被控设备提供,此时模块无源输出触点控制设备,模块与被控制设备的接线示意图如图 2-78(a)、图 2-78(b)(图 2-78(a)为常开输入检线,图 2-78(b)为常闭输入检线)。

当模块有源输出控制设备时,一条总线回路上配接此模式模块数量不得超过 4 只,输入配置方式无变化,模块与被控制设备接线方式如图 2-78(c)所示:



苏公网安备32058102002318号
客服1